产品分类/ Products
- ET7428 1Ω Dual SPDT Negative Signal Handing Analog Switch
- ET7222 High-Speed USB 2.0(480Mbps) Switch
- ET5228H 0.6Ω Dual SPDT Negative Signal Handing Analog Switch
- ET5223 0.5Ω Dual SPDT Analog Switch
- HTR6916 共阴极16x9阵列LED 驱动器
- HTR7198(S), HTR7144(S) 带自动呼吸功能的18x
- PL62010 集成升降压控制器及双向PD3.0等多种快
- RY6050-ADJ Series 500mA Adjustable High-Speed Low Power LDO
- RY6050 Series 500mA High PSRR, Low Noise, Low Power LDO
- RY6313 40V 150mA Low Power LDO
- RY6031 300mA High PSRR, Low Noise, Low Power LDO
- RY8337C 36V 3A 500KHz Synchronous Step-Down Regulator
- RY8337B 30V 3A 500KHz Synchronous Step-Down Regulator
- RY8337 38V 3.3A 500KHz Synchronous Step-Down Regulator
PMIC多通道电源管理芯片
产品名称:RY1228AD10 2CH PMU with Dual Buck
型号: RY1228AD1
产片介绍:The RY1228AD10 is a 2-channel PMU that includes dual high frequency, synchronous, rectified, step-down, switch-mode converters with internal power MOSFETs Two inputs voltage range from 4 5V to 17V and two outputswith up to 2A current ECOT control operation provides very fast transient response and easy loop design as well as very tight output regulation
产片介绍:The RY1228AD10 is a 2-channel PMU that includes dual high frequency, synchronous, rectified, step-down, switch-mode converters with internal power MOSFETs Two inputs voltage range from 4 5V to 17V and two outputswith up to 2A current ECOT control operation provides very fast transient response and easy loop design as well as very tight output regulation
┄┄┄详细介绍┄┄┄
General Description
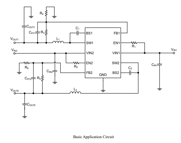
The RY1228AD10 is a 2-channel PMU that includes dual high frequency, synchronous, rectified, step-down, switch-mode converters with internal power MOSFETs. Two inputs voltage range from 4.5V to 17V and two outputs with up to 2A current. ECOT control operation provides very fast transient response and easy loop design as well as very tight output regulation.
The RY1228AD10 requires a minimal number of readily available, external components and is available in an DFN10-3×3 package.
Features
• 2CH: Dual Buck
• CH1 Buck: VIN 4.5V-17V, 2A, 1.2MHz, ECOT Mode Control with Fast Transient Response,
Continuous Conduction Mode (CCM)
• CH2 Buck: VIN 4.5V-17V, 2A, 1.2MHz, ECOT Mode Control with Fast Transient Response,
Continuous Conduction Mode (CCM)
• Over Current Protection
• Over Voltage Protection
• Short Protection with Hiccup-Mode
• Thermal Shutdown
• Available in DFN10-3×3 Package
• -40°C to +85°C Temperature Range
Applications
• Digital Set-top Box (STB)
• Tablet Personal Computer (Pad)
• Flat-Panel Television and Monitor
• Wi-Fi Router / AP
• Digital Video Recorder (DVR)
• Portable Media Player (PMP)
• Cable Modem / XDSL
• General Purposes
Typical Application Circuit

上一篇:RY1541AQ20 5CH PMU with HV&LV Buck, LDO, Boost, Super Capacitor Charger
下一篇:RY1303 3 Channel 5.5V 2A 1.2MHz DC/DC Step down PMU